登录
/
注册
首页
论坛
其它
首页
科技
业界
安全
程序
广播
Follow
关于
导读
排行榜
资讯
发帖说明
登录
/
注册
账号
自动登录
找回密码
密码
登录
立即注册
搜索
搜索
关闭
CSDN热搜
程序园
精品问答
技术交流
资源下载
本版
帖子
用户
软件
问答
教程
代码
写记录
写博客
小组
VIP申请
VIP网盘
网盘
联系我们
发帖说明
道具
勋章
任务
淘帖
动态
分享
留言板
导读
设置
我的收藏
退出
腾讯QQ
微信登录
返回列表
首页
›
业界区
›
安全
›
告别TP4056!国产SY3501D单芯片搞定充放电+升压,仅需7 ...
告别TP4056!国产SY3501D单芯片搞定充放电+升压,仅需7个元件!附开源PCB文件
[ 复制链接 ]
冷晓晴
2025-5-30 15:24:11
程序园永久vip申请,500美金$,无限下载程序园所有程序/软件/数据/等
告别 TP4056!国产 SY3501D 单芯片搞定充放电 + 升压,仅需 7 个元件!附开源 PCB 文件
常见的 TP4056 锂电池充放电管理芯片只负责对 3.7 V 锂电池的线性充电管理,若要实现电池保护、放电管理或升压输出,都必须外接额外的保护片(PMIC)和开关/MOSFET 以及独立的升压模块,这里介绍一个锂电池充放电管理和升压芯片 SY3501D。
SY3501 是一款专为移动电源设计的单芯片解决方案 IC,高度集成了充电管理模块、LED 电量显示模块、同步升压放电管理模块的移动电源管理芯片,极大的简化了外围电路与元器件数量。
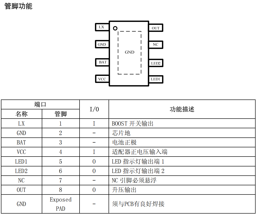
各个引脚功能介绍如下所示:
SY3501 内部集成了完整的充电模块,利用芯片内部的功率管对电池进行涓流、恒流和恒压充电。充电电流由芯片内部设定,持续充电电流为 0.7A,不需要另加阻流二极管和电流检测电阻。芯片内部的功率管理电路在芯片的结温超过 100℃ 时自动降低充电电流,直到 140℃ 以上将电流减小至 0。
SY3501 提供一路同步升压输出,集成功率 MOS,可提供 5.1V/1A 输出,效率高达 90%。SY3501 采用 1MHz 的开关频率,可有效减小外部元件尺寸。在充电适配器未接入的状态下,系统一直工作在升压输出状态,空载电流 100uA。
SY3501 提供输出过流、输出过压、输出短路、芯片过热以及电池欠压等多种异常保护,可以有效保护电池及系统安全。在发生输出过流、输出短路及芯片过温情况时,SY3501 自动关闭升压输出,等待 200mS 后重新启动,若异常未解除则芯片不断关闭重启(称之为打嗝模式), 直到异常解除后,芯片进入正常工作状态。SY3501 通过控制续流 PMOS 可以有效阻止输出电流的倒灌。
它仅需要 7 个外围元器件即可实现锂电池充放电和升压,下面是我实际测试无误的原理图:
这里,需要注意,原数据手册中关于充放电管理指示灯部分有错误,实际上 LED1 和 LED2 应该互换:
在 PCB 布线时,需要注意以下细节:
这里,我将这个
锂电池充放电管理板
设计为 XIAO 主控板的扩展板,既可直接连接 XIAO 系列主控板使用,也可作为独立模块单独应用:
可以对 XIAO 主控板上焊接排针,在扩展板内侧焊接排母插入,也可以直接将 XIAO 主控板焊接到对应焊盘上:
充电时,先打开右侧开关再使用左侧 Type-C 充电接口进行充电:
放电时,需要注意当 XIAO 主控连接时,如果将 USB 供电线插入到 XIAO 的 USB 口中,则使用 XIAO 主控上的电源作为供电输出:
采用红绿两个 LED 灯作为状态指示:
实际上多个多米诺系列扩展板直接,可以通过调换排针排母焊接位置和方向进行互联,我们可以将锂电池扩展板
外侧接口焊接方向朝上的排针,其他扩展板外侧焊接方向朝下的排母,从而进行连接:
我将该工程开放到了立创开源广场上:
链接为:https://oshwhub.com/freakstudio/li-dian-chi-chong-fang-dian-kuo-zhan-ban-_-zhuan-ye-ban
来源:程序园用户自行投稿发布,如果侵权,请联系站长删除
免责声明:如果侵犯了您的权益,请联系站长,我们会及时删除侵权内容,谢谢合作!
告别
TP4056
国产
SY3501D
单芯片
相关帖子
FFmpeg开发笔记(八十三)国产的视频裁剪框架AndroidVideoTrimmer
Solon v3.4.7, v3.5.6, v3.6.1 发布(国产优秀应用开发框架)
【GitHub每日速递 250929】告别手动查资料
告别漫长GC停顿:深入解析G1如何实现可预测的毫秒级响应
告别人工干预!C# 轻量级上位机自动联动 MES 与视觉检测
告别盲人摸象,数据分析的抽样方法总结
Flask数据库操作进阶:告别裸写SQL,用ORM提升开发效率
FFmpeg开发笔记(九十三)国产的Android开源视频编辑器EpMedia
FFmpeg开发笔记(九十三)国产的Android开源视频编辑器EpMedia
告别“草率编程”:Vibe Engineering 如何重新定义资深工程师的护城河
回复
使用道具
举报
提升卡
置顶卡
沉默卡
喧嚣卡
变色卡
千斤顶
照妖镜
相关推荐
业界
FFmpeg开发笔记(八十三)国产的视频裁剪框架AndroidVideoTrimmer
4
706
韶又彤
2025-10-18
业界
Solon v3.4.7, v3.5.6, v3.6.1 发布(国产优秀应用开发框架)
5
547
镝赋洧
2025-10-23
业界
【GitHub每日速递 250929】告别手动查资料
2
1014
揿纰潦
2025-10-31
业界
告别漫长GC停顿:深入解析G1如何实现可预测的毫秒级响应
2
805
静轾
2025-11-05
业界
告别人工干预!C# 轻量级上位机自动联动 MES 与视觉检测
2
605
井晶灵
2025-11-13
业界
告别盲人摸象,数据分析的抽样方法总结
1
288
曲愍糙
2025-11-29
业界
Flask数据库操作进阶:告别裸写SQL,用ORM提升开发效率
1
1035
滤冽
2025-12-09
业界
FFmpeg开发笔记(九十三)国产的Android开源视频编辑器EpMedia
0
577
要燥
2025-12-14
业界
FFmpeg开发笔记(九十三)国产的Android开源视频编辑器EpMedia
0
206
姜删懔
2025-12-14
业界
告别“草率编程”:Vibe Engineering 如何重新定义资深工程师的护城河
1
728
訾懵
2025-12-17
回复
(2)
蒲善思
2025-11-26 18:15:03
回复
使用道具
举报
照妖镜
猛犸象科技工作室:
网站开发,备案域名,渗透,服务器出租,DDOS/CC攻击,TG加粉引流
这个有用。
汲佩杉
7 天前
回复
使用道具
举报
照妖镜
程序园永久vip申请,500美金$,无限下载程序园所有程序/软件/数据/等
yyds。多谢分享
高级模式
B
Color
Image
Link
Quote
Code
Smilies
您需要登录后才可以回帖
登录
|
立即注册
回复
本版积分规则
回帖并转播
回帖后跳转到最后一页
浏览过的版块
业界
签约作者
程序园优秀签约作者
发帖
冷晓晴
7 天前
关注
0
粉丝关注
17
主题发布
板块介绍填写区域,请于后台编辑
财富榜{圆}
3934307807
991124
anyue1937
9994892
kk14977
6845357
4
xiangqian
638210
5
韶又彤
9997
6
宋子
9982
7
闰咄阅
9993
8
刎唇
9993
9
俞瑛瑶
9998
10
蓬森莉
9951
查看更多
今日好文热榜
184
vue 甘特图 vxe-gantt table 连接线的用法
600
[SDR] USRP 双通道与 MIMO 技术:手搓 1 发
570
【面试题】MySQL 的存储引擎有哪些?它们之
560
为什么协程能让程序不再卡顿?——从同步、
712
【面试题】MySQL 索引的最左前缀匹配原则是
237
AgentScope深入学习-总体认识
341
再推荐 10 个低调但非常实用的 PHP 包
320
DDD领域驱动设计
466
从繁琐到高效:招聘自动化系统优化招聘流程
711
接着唠:三级缓存为啥是“刚需”?没有它Sp
902
17.行为型 - 观察者模式 (Observer Pattern
484
最小二乘问题详解9:使用Ceres求解非线性最
176
FFmpeg 关键的结构体
762
强壳保护NET代码!Dnguard 4.9.4最新企业旗
621
LLL与BKZ算法
781
AI幻觉闲聊杂谈
393
央企程序员AI创业后续
734
使用DNGuard加密并打包C# .NET Core程序为
301
[POI 2021/2022 R1] Domino 题解
74
揭秘:如何用0.02/张调用Openai官方GPT Ima