找回密码
 立即注册
首页 业界区 安全 EPS-01S 刷 Tasmota 固件手搓继电器开关

EPS-01S 刷 Tasmota 固件手搓继电器开关

甘子萱 2025-6-15 14:36:19
1.jpeg

网上有卖这种 WiFi 继电器,自己手动实现这个 WiFi 继电器(硬件小白),操作时请注意用电安全
元器件清单

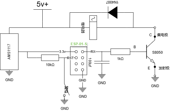
序号元件名称型号 / 参数数量作用说明1WiFi 模块ESP-01S1实现 WiFi 联网,接收远程控制指令2继电器JQC-3FF-S-Z1控制交流电通断,用于热水器控制3整流二极管1N40071防止继电器回流电压损坏元件4降压芯片AMS1117-3.31将5V电压降为3.3V供 ESP-01S 使用5三极管S8050 NPN1放大驱动电流控制继电器通断6电阻1kΩ/10kΩ1用于三极管基极限流6电容100uf1解决首次上电瞬间吸合7指示灯LED + 100Ω电阻1显示继电器工作状态(亮=加热)8电源5V 电源(USB 或降压)1提供系统电压9下载器STC UST-TTL1USB下载器10杜邦线-若干连接电路tasmota

一、接线

确定设备上的引脚后,请根据下表连接电线:
串行适配器ESP 设备3V33V3 or VCCTXRXRXTXGNDGNDGNDIO0(接地下载模式)二、刷固件

具体操作网上有大量案例自己搜索,使用谷歌浏览在线 [刷固件],下载连接电脑,打开网页选择对应的串口。要买个 STC 下载器 WiFi模块和下载器连接。
三、WiFi 配网

使用手机或 iPad 连接 WiFi tasmota-xxxx,访问 http://192.168.4.1 进入 tasmota 配置页面,设置 WiFi SSID 密码。
四、配置 GPIO

通过 IO 口驱动继电器或 LED 等等,我这里使用 RXD/GPIO3 也可以使用 TXD/GPIO1。
2.jpeg

配置页面说明:

  • 第一列展示可用 GPIO (不同 ESP 模块可用 GPIO 不同,具体需要查使用手册)
  • 第二列选择功能 relay 继电器,relay_i 反正(高电平变低电平,低电平变高电平)
  • 第三列对应数量 1        一个开关
GPIO2 不能用,测试使用 GPIO2 时导致 WiFi 模块无法启动 IO 口被拉低了(S8050 B基),实际该口需要高电平才能启动,启动时可能要加上拉电阻才行,但 S8050 高电平导通,要加电容或其他电路更麻烦所以我这里直接使用了 GPIO3
五、配置 MQTT(可选)

配置 MQTT 可以进行远程操作
docker 部署 emqx 服务


  • 默认账号:admin,密码:public。
  • MQTT 端口:1883
  • Web 管理端:18083
  1. docker run -d --name emqx \
  2.   -p 1883:1883 -p 8083:8083 \
  3.   -p 8084:8084 -p 8883:8883 \
  4.   -p 18083:18083 \
  5.   emqx/emqx:latest
复制代码
原理图

大概就样,不太会画,欢迎指正
3.png

实物图
没有轻触开关,这里用鼠标拆下来的点击按钮也行,哈哈哈。
4.jpeg

5.jpeg

<blockquote>
继电器 NO 常开,COM 公共端引脚控制的是火线,一定要用粗一点的铜线,否则功率大一点的电器直接把线烧断了(塑料端子已被烧
来源:程序园用户自行投稿发布,如果侵权,请联系站长删除
免责声明:如果侵犯了您的权益,请联系站长,我们会及时删除侵权内容,谢谢合作!

相关推荐

2025-10-11 06:45:07

举报

您需要登录后才可以回帖 登录 | 立即注册