找回密码
 立即注册
首页 业界区 安全 软件工程 项目管理 实验 图书馆座位管理系统 ...

软件工程 项目管理 实验 图书馆座位管理系统

院儿饯 2025-9-28 18:48:23
1.png
软件工程项目管理实验
论文题目:
图书馆座位管理系统
学 院:
软件学院
专 业:
软件工程
年 级:
2020
姓 名:
我和一亲兄弟
学 号:
算命的说不方便透露
指导教师:
印哥
2022年 11 月 22 日
实验一 需求概述

确定项目选题

图书馆座位管理系统
背景:

针对目前哈尔滨城市环境学院的校图书馆并没有座位管理的政策,我们准备推行一套合理的管理方法来使其人性化,这套图书馆作为管理系统相较于之前同学们自主抢座、自主占座,更为实用且方便,同时更有利于图书馆的管理,避免由于座位的冲突产生的纠纷。
优势:

本套图书馆座位管理系统上线后,学生通过学号密码可以登入系统进行预约,选座,中途离开,退座等一系列操作,它更方便快捷,并且有效。
需求分析

需求获取

通过调查问卷的方式进行需求获取,调查问卷样卷如下:
本调查表将被发给所有哈尔滨城市环境学院全部同学。
本调查表的目的是获得一些帮助分析员分析新系统需求的最初信息。此后还将举行进一步的讨论,以使每人都可以详细地阐述系统需求。
第一部分:根据您在学校和图书馆的经历,回答下列问题:

  • 您的年级是?
  • 您经常去图书馆吗?
  • 如果您去图书馆,一般呆多久?
  • 您有没有遇到过没有座位的情况?
  • 如果没有座位,您会采取什么办法?
  • 如果找座位您会在该楼层进行寻找,还是换楼层?
  • 您是否遇到过占座的情况?
  • 如果有遇到过,他们通常是如何占座的?
  • 如果您的座位被占用了,您会怎么解决?
  • 您有没有占座的情况?
第二部分:根据你同意或反对的强烈程度,在下列表格中1至5范围内的适当数字上画圈。
问题
强烈反对 非常同意
您对目前学校的图书馆座位管理政策的态度?
1
2
3
4
5
如果目前有一套座位管理系统,您会使用吗?
1
2
3
4
5
您赞成采用信誉评级的方式决定学生是否可以进入图书馆吗?
1
2
3
4
5
第三部分:请写下您的意见和建议
请简要地指出您希望在图书馆座位管理系统中加入的功能,并写下您其他的建议。
用例图(系统用例图)

系统用例图如下所示:
2.png

用例描述

1 查看座位用例
用例名
查看座位
用例类型
业务需求
用例ID
MSM1201
主要业务参与者
学生
其他参与者
座位管理数据库、图书馆座位管理系统
项目相关人员期望
学生:希望能够查看全部座位信息
描述
该用例描述了学生查看的过程。
前置条件
学生通过身份验证,成功登录系统。
后置条件
如果该用例顺利执行,图书管理系统显示座位表给学生
触发条件
当学生选择查看座位时该用例被触发。
基本流程
1.登录系统
[学生]:学生选择进入“登录”功能。
[系统]:如果学生学号密码正确,则进入系统功能界面
2.查看座位
[学生]:学生选择进入“查看座位”
[系统]:系统显示“查看现场座位”和“查看预约座位”
[学生]:学生选择进入“查看现场座位”
[系统]:系统显示座位情况,座位情况分为维修中,已被选,可选,选中。
替代流程
1.登录系统
[学生]:学生选择进入“登录”功能。
[系统]:如果学生学号密码正确,则进入系统功能界面
2.查看座位
[学生]:学生选择进入“查看座位”
[系统]:系统显示“查看现场座位”和“查看预约座位”
[学生]:学生选择进入“查看预约座位”
[系统]:系统显示座位情况,座位情况分为维修中,已被选,可选,选中。
结束
学生成功完成图书馆座位信息的查看。
2 提前预约座位用例
用例名
提前预约座位
用例类型
业务需求
用例ID
MSM1202
主要业务参与者
学生
其他参与者
座位管理数据库、图书馆座位管理系统
项目相关人员期望
学生:希望通过预约的方式能够提前选择座位
描述
该用例描述了学生预约座位的过程。
前置条件
学生成功登录系统,通过身份验证,一个用户只能选择预约一个座位。
后置条件
如果该用例顺利执行,图书管理系统留出并保留座位给学生
触发条件
当学生选择预约座位时该用例被触发。
基本流程
1.登录系统
[学生]:学生选择进入“登录”功能。
[系统]:如果学生学号密码正确,则进入系统功能界面
2.查看座位
[学生]:学生选择进入“查看座位”
[系统]:系统显示座位情况,学生选择一个可选座位

  • 选择预约
[学生]:学生选择该座位后进入“预约座位”
[系统]:系统显示座位剩余时间情况。
[学生]:选择预约的时间段,并点击确认。
[系统]:系统显示预约成功。系统将该座位可选时间中的被选择时间段去掉,同时将该同学的选座权限关闭。
替代流程
1 登录系统
[学生]:学生选择进入“登录”功能。
[系统]:如果学生学号密码正确,则进入系统功能界面
2 查看座位
[学生]:学生选择进入“查看预约座位”
[系统]:系统显示座位情况,提示学生预约的所有座位的所有时间段都已经被选择,建议到达现场选择座位。
结束
学生成功完成一个座位的预约或到达现场选座座位。
备注
预约选择座位和现场选择座位的座位总和是图书馆所有座位,为保证同学们的相对公平选择座位,每个模块占比各50%。
3 现场选择座位用例
用例名
现场选择座位
用例类型
业务需求
用例ID
MSM1203
主要业务参与者
学生
其他参与者
座位管理数据库、图书馆座位管理系统
项目相关人员期望
学生:到达图书馆以后,希望在现场选择座位
描述
该用例描述了学生选座的过程。
前置条件
学生成功登录系统,通过身份验证,一个用户只能选择一个座位。
后置条件
如果该用例顺利执行,图书管理系统更改学生选定座位状态,给学生开启座位
触发条件
当学生选择查看座位时该用例被触发。
基本流程
1.登录系统
[学生]:学生选择进入“登录”功能。
[系统]:如果学生学号密码正确,则进入系统功能界面
2.查看座位
[学生]:学生选择进入“查看现场座位”
[系统]:系统显示座位情况,座位情况分为已被选,可选,选中。
3.选择座位
[学生]:学生选择进入“选择座位”,选择可选座位
[系统]:系统显示座位情况,将学生选的改座位的座位情况改为“选中”。
4.确定时间
[学生]:学生输入需要使用座位的时间
[系统]:系统记录下学生填写的时间,在对应表中保存好。
5.确定选座
[学生]:学生选好座位后,确认无误后点击“确定”
[系统]:系统显示座位情况,将学生选的改座位的座位情况改为“已被选”,并且开始计时;同时将该学生“学生是否可以选座”,改为“否”。
替代流程

结束
学生在图书馆现场成功完成一个座位的选择。
4 保留座位用例
用例名
保留座位
用例类型
业务需求
用例ID
MSM1204
主要业务参与者
学生
其他参与者
座位管理数据库、座位管理系统
项目相关人员兴趣
学生:有事临时离开图书馆,希望图书馆能够给自己保留座位,回来可以继续使用
描述
该用例描述了学生保留座位的过程。
前置条件
学生成功登录系统,通过身份验证。
后置条件
如果该用例顺利执行,图书管理系统将给学生保留座位或留座失败
触发条件
当学生选择查看座位时该用例被触发。
基本流程
1.登录系统
[学生]:学生选择进入“登录”功能。
[系统]:如果学生学号密码正确,则进入系统功能界面
2.保留座位
[学生]:学生选择进入“保留座位”
[系统]:系统判断是否有座位可以保留,如果存在即可保留。
3.确定时间
[学生]:学生输入需要离开的时间
[系统]:系统记录下学生填写的时间,在对应表中保存好。
4.确定保留
[学生]:填好信息后,确认无误后点击“确定”
[系统]:系统暂停计时。

  • 继续使用
[学生]:学生返回座位,继续使用座位
[系统]:系统继续计时。
替代流程
当该座位后续时间已被预约情况下
1.登录系统
[学生]:学生选择进入“登录”功能。
[系统]:如果学生学号密码正确,则进入系统功能界面
2.保留座位
[学生]:学生选择进入“保留座位”
[系统]:系统显示保留座位系统界面
3.确定时间
[学生]:学生输入需要离开的时间
[系统]:系统提示学生该座位后续时间已经被预约出去,无法保留,同时返回功能界面
结束
学生成功完成一个座位的保留。
5 座位续时用例
用例名
座位续时
用例类型
业务需求
用例ID
MSM1205
主要业务参与者
学生
其他参与者
座位管理数据库、座位管理系统
项目相关人员兴趣
学生:希望可以继续继续使用该座位
描述
该用例描述了学生座位续时的过程。
前置条件
学生成功登录系统,通过身份验证。
后置条件
如果该用例顺利执行,图书管理系统将给学生延迟座位可用时间,或续时失败
触发条件
当学生选择座位续时时该用例被触发。
基本流程
1.登录系统
[学生]:学生选择进入“登录”功能。
[系统]:如果学生学号密码正确,则进入系统功能界面
2.座位续时
[学生]:学生选择进入“座位续时”
[系统]:系统显示座位续时系统界面
3.确定时间
[学生]:学生输入需要续用的时间
[系统]:系统记录下学生填写的时间,在对应表中保存好。
4.确定续时
[学生]:填好信息后,确认无误后点击“确定”
[系统]:系统增加学生可用时间。
替代流程
当该座位后续时间已被预约情况下
1.登录系统
[学生]:学生选择进入“登录”功能。
[系统]:如果学生学号密码正确,则进入系统功能界面
2.座位续时
[学生]:学生选择进入“座位续时”
[系统]:系统显示座位续时系统界面
3.确定时间
[学生]:学生输入需要续用的时间
[系统]:系统提示学生该座位后续时间已经被预约出去,无法续时,同时返回功能界面
结束
学生成功完成一个座位的续时。
6 退选座位用例
用例名
退选座位
用例类型
业务需求
用例ID
MSM1206
主要业务参与者
学生
其他参与者
座位管理数据库、座位管理系统
项目相关人员兴趣
学生:离开图书馆,退选已选座位
描述
该用例描述了学生退选座位的过程。
前置条件
学生成功登录系统,通过身份验证。
后置条件
如果该用例顺利执行,图书管理系统显示座位表给学生
触发条件
当学生选择查看座位时该用例被触发。
基本流程
1.登录系统
[学生]:学生选择进入“登录”功能。
[系统]:如果学生学号密码正确,则进入系统功能界面
2.退选座位
[学生]:学生选择进入“退选座位”
[系统]:系统更改座位信息,将该学生对应的座位状态改为“可选”,并且同时将该学生“学生是否可以选座”,改为“是”。
替代流程

结束
学生成功完成一个座位的退选。
7 报修座位用例
用例名
报修座位
用例类型
业务需求
用例ID
MSM1207
主要业务参与者
学生
其他参与者
座位管理数据库、座位管理系统
项目相关人员兴趣
学生:希望能够换一个可用座位
图书馆:希望能够及时修理故障座位
描述
该用例描述了学生座位报修的过程。
前置条件
学生成功登录系统,通过身份验证,选好座位后,到自己实际座位后发现座位有问题
后置条件
如果该用例顺利执行,图书管理系统将座位状态改为“维修中”
触发条件
当学生选择查看座位时该用例被触发。
基本流程
1.登录系统
[学生]:学生选择进入“登录”功能。
[系统]:如果学生学号密码正确,则进入系统功能界面
2.座位报修
[学生]:学生选择进入“故障报修”
[系统]:系统更改座位情况,将该学生对应的座位状态改为“维修中”,并且同时将该学生“学生是否可以选座”,改为“是”。
替代流程

结束
读者成功完成一个座位信息的报修。
8 修理座位用例
用例名
修理座位
用例类型
业务需求
用例ID
MSM1208
主要业务参与者
管理员
其他参与者
座位管理数据库、座位管理系统
项目相关人员兴趣
管理员:希望能够及时修理故障座位
图书馆:希望能够及时修理故障座位
描述
该用例描述了管理员维修座位的过程。
前置条件
管理员成功登录系统,通过身份验证。
后置条件
如果该用例顺利执行,管理员成功修理座位
触发条件
当学生选择查看座位时该用例被触发。
基本流程
1.登录系统
[管理员]:管理员选择进入“登录”功能。
[系统]:如果管理员账号密码正确,则进入系统功能界面
2.查看座位
[管理员]:管理员选择进入“查看座位”
[系统]:系统显示座位情况,座位情况分为维修中,已被选,可选,选中。

  • 维修座位
[管理员]:管理员寻找维修工人修理故障桌椅,并修改座位状况数据
[系统]:系统显示座位情况,将对应座位情况更改为“可选”
替代流程

结束
管理员成功完成一个座位的维修。
顺序图

1 现场选座
3.png

2 座位维修
4.png

需求变更替提交单

软件产品修改提交单
申请人
李艳春
申请日期
2022.11.20
项目名称
图书馆座位管理系统
阶段名称
系统设计阶段
文件名称
Test point model.doc
修改内容
变更叙述如下所示:
增加测试点数量,在原有的基础上额外扩展5个测试样例,扩展的测试样例的测试范围不与之前相重复,详情见Test point model.doc。
修改意见
同意Test point model.doc 的变更。
验证人
杨过
验证日期
2022.11.25
SCCB
周比特、王帅、李艳春
填表人
李艳春
工作分解结构

建立WBS图

5.png

建立WBS表

WBS表
WBS
任务名称
1
1
图书座位管理系统
2
1.1
计划初始阶段
3
1.1.1
软件规划
4
1.1.2
项目规划
5
1.1.3
计划评审
6
1.1.4
需求开发
7
1.1.5
编写需求规格说明书
8
1.2
概要设计阶段
9
1.2.1
建立数据库
10
1.2.2
设计数据库ER图
11
1.3
详细设计阶段
12
1.3.1
实现登录功能
13
1.3.2
实现查看座位功能
14
1.3.3
实现保留座位功能
15
1.3.4
实现报修座位功能
16
1.3.5
实现预约选座功能
17
1.3.6
实现现场选座功能
18
1.3.7
实现维修座位功能
19
1.3.8
实现退选座位功能
20
1.3.9
实现座位续时功能
21
1.3.10
实现查看日志功能
22
1.4
测试阶段
23
1.4.1
系统测试
24
1.4.2
环境测试
25
1.5
提交阶段
26
1.5.1
完成文档
27
1.5.2
验收
建立WBS字典

1
WBS字典
项目名称:图书馆座位管理系统
日期:2022.7.1
WBS号码:1.2
WBS名称:概要设计
父级WBS:1
父级WBS名称:图书馆座位管理系统
责任人/组织(如有必要):王帅、周比特
工作描述:完成系统的概要设计阶段,把需求分析得到的系统扩展用例图转换为软件结构和数据结构。
子级WBS号码:1.2.1
子级WBS名称:建立数据库
子级WBS号码:1.2.2
子级WBS名称:设计ER图
指定人:王帅 审批人:周比特 日期:2022.7.1
职务:项目负责人: 职务:项目干事
2
WBS字典
项目名称:图书馆座位管理系统
日期:2022.7.1
WBS号码:1.4
WBS名称:系统测试
父级WBS:1
父级WBS名称:图书馆座位管理系统
责任人/组织(如有必要):王帅、周比特
工作描述:完成系统的测试阶段,测试人员会同项目负责人根据软件需求,制定和确定测试进度时,必须要有开发人员和相关的测试部门人员共同参与。
子级WBS号码:1.4.1
子级WBS名称:系统测试
子级WBS号码:1.4.2
子级WBS名称:环境测试
指定人:王帅 审批人:周比特 日期:2022.7.1
职务:项目负责人: 职务:项目干事
 
实验二 成本估算

功能点估算

由实验讲义要求相应的功能计数项的复杂度如下所示:
6.png

又根据实验一计算功能点如下:
有 7个外部输入(预约、现场、报修、保留、续时、退选、维修)1个外部输出(查看日志)
3个外部查询(座位信息,座位状态,操作反馈信息)
4个内部逻辑文件(座位表,用户信息表,选座表,座位状态日志)
0个外部接口文件(没有引用其他软件的控制系统)
说明:
用户信息表:存储学号或管理员编号、姓名等相关信息
座位表:存储座位号、座位状态等相关信息
选座表:存储学号、座位号等相关信息
操作反馈信息:确认信息、失败信息等
座位状态日志:存储学号、座位号、时间、座位状态更改情况等信息
由实验讲义要求相应的技术复杂因子如下所示:
7.png

由实验讲义要求相应的技术复杂因子的取值范围如下所示:
8.png

又根据实验一计算对应的项目复杂度因子值如下:
可靠的备份和恢复:4
数据通信:1
分布式函数:3
性能:1
大量使用的配置:1
联机数据的输入:3
操作简单性:4
在线升级:1
复杂界面:1
复杂的数据处理:2
重复使用性:5
安装简易性:4
多重站点:1
易于修改:4
计算总和为:4+1+3+1+1+3+4+1+1+2+5+4+1+4=35
根据TCF的计算公式,同时需要符合范围 Fi:0-5 TCF:0.65-1.35
TCF=0.65+0.01(sum(Fi))
带入后等于1
最后根据以上所有计算FP:62*1=62
组件类型
复杂因子
计算



累计
输入
7*3=21
0*4=0
0*6=0
21
输出
1*4=4
0*5=0
0*7=0
4
查询
3*3=9
0*4=0
0*6=0
9
内部文件
4*7=28
0*10=0
0*15=0
28
外部文件
0*5=0
0*7=0
0*10=0
0
UFP
21+4+9+28+0=62
TCF
0.65+0.01*35=1
FP
62*1=62
由实验讲义假设每一功能项的代价为5万元钱,计算成本:
62*5=310万元
代码行估算

由实验讲义假设的功能点与代码行的转换如下所示:
9.png

又根据实验一计算出的FP功能点的值如下:
FP
62*1=62
本项目采用C语言进行相应转换:150*62=9300行
用例点估算

用例图如下:
10.png

用例点估算模型如下:
11.png

1 计算未调整的角色权值 UAW
复杂度级别
复杂度标准
权值
数量
结果
简单
角色通过API与系统交互
1
4
4
普通
角色通过协议与系统交互
2
1
2
复杂
角色通过GUI与系统交互
3
7
21
总计(UAW)
1*4+2*1+3*7=27
2 计算未调整的用例的权值UUCW
复杂度级别
复杂度标准
权值
数量
结果
简单
1 - 3
5
10
50
普通
4 - 7
10
0
0
复杂
> 7
15
0
0
总计(UUCW)
10*5=50
3 计算技术因子 TCF
因子
说明
权重
复杂度
结果(权重*复杂度)
T1
分布式系统
2
2
4
T2
性能要求
1
2
2
T3
终端用户效率
1
3
3
T4
内部处理复杂度
1
2
2
T5
可重用性
1
3
3
T6
易安装性
0.5
1
0.5
T7
易用性
0.5
3
1.5
T8
可移植性
2
3
6
T9
易更改性
1
4
4
T10
并发性
1
4
4
T11
安全功能特性
1
4
4
T12
提供给第三方访问
1
3
3
T13
需要特别的用户培训
1
1
1
总计(TCF)
4+2+3+2+3+0.5+1.5+6+4+4+4+3+1=38
4 计算环境复杂度因子 ECF
因子
说明
权重
复杂度
结果(权重*复杂度)
E1
熟悉UML程度
1.5
4
6
E2
开发应用程序经验
0.5
3
1.5
E3
面向对象经验
1
4
4
E4
主分析师能力
0.5
4
2
E5
团队激励
1
3
3
E6
需求稳定度
2
3
6
E7
兼职人员比例
-1
0
0
E8
不同编程语言难度
2
1
2
总计(ECF)
6+1.5+4+2+3+6+0+2=24.5
计算公式如下:
UAW =角色数*相应权重 之和
UUCW =用例数*相应权重 之和
UUCP =UAW+UUCW
TCF =技术因子权值乘以相应的影响等级之和,再乘以0.01,加上0.6
ECF =环境因子权值乘以相应的影响等级之和,再乘以-0.03,加上1.4
UCP =UUCP*TCF*ECF
EFFORT =UCP*PF (PF为生产力)
计算结果如下:
UAW=27
UUCW=50
UUCP=UAW+UUCW=77
TCF=0.6+0.01*38=0.98
ECF=1.4+(-0.03)*24.5=0.665
UCP=77*0.98*0.665=50.1809
实验三 项目进度计划

一、根据WBS建立PDM图和ADM图

1 PDM图:

12.png

2 ADM图:

13.png

二、建立甘特图

14.png

三、建立里程碑

15.png

 
 
四、建立PERT图

分别估算每一活动的O、M和P,估算算每一个活动的Ei、δ及δ2及整个项目的标准差和方差。
计算项目完成时间的范围和概率如下图所示。
说明:
PERT历时(Te期望值)=(O+4M+P)/ 6
标准差 σ = (P-O)/ 6
O为项目完成的最小估算值(乐观估算值)
P为项目完成的最大估算值(悲观估算值)
M为活动完成的最大可能估算值(最可能值)
E为活动的平均历时
风险分析:
使用标准差和方差表示历时估计的可信程度或者项目完成的概率。
项目
O M P
Ei
标准差 σ 
方差
需求分析
7,8,9
8
0.33
0.11
需求验证
2,3,4
3
0.33
0.11
项目规划
5,6,7
6
0.33
0.11
概要设计
10,14,18
14
1.33
1.78
详细设计
9,13,17
13
1.33
1.78
编码
20,30,40
30
3.33
11.11
单元测试
15,16,17
16
0.33
0.11
集成测试
7,8,9
8
0.33S
0.11
系统测试
3,4,5
4
0.33
0.11
图书馆座位管理项目
102
3.91
15.3
利用正态分布图的3σ定律
16.png

总平均历时E=102, δ =3.91
范围
概率
Start
Over
T1
± δ
68.3%
98.09
105.91
T2
± 2 δ
95.5%
94.18
109.82
T3
± 3 δ
99.7%
90.27
113.73
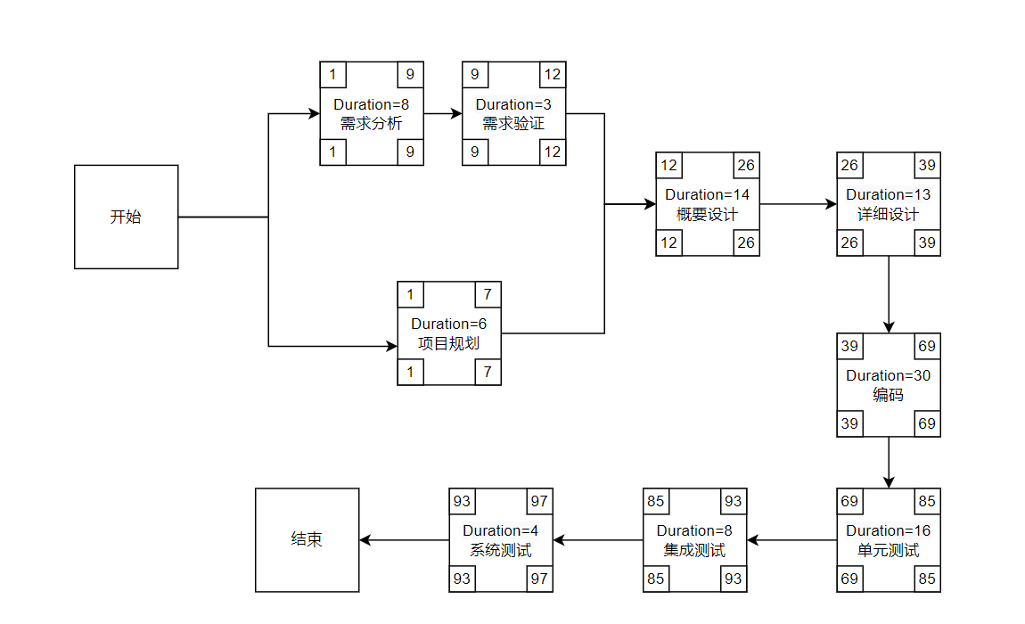
五、编写项目进度计划图 确定关键路径

最早开始时间(ES)最晚开始时间(LS)最早完成时间(EF)最晚完成时间(LF)
17.png

关键路径为:
需求分析->需求验证->概要设计->详细设计->编码->单元测试->集成测试->系统测试。
关键路径长度为:
96
非关键路径活动:
项目规划
自由浮动(FF)为:5(12-7)
总浮动(TF)为: 0

来源:程序园用户自行投稿发布,如果侵权,请联系站长删除
免责声明:如果侵犯了您的权益,请联系站长,我们会及时删除侵权内容,谢谢合作!

相关推荐

2025-10-23 17:29:41

举报

您需要登录后才可以回帖 登录 | 立即注册