找回密码
 立即注册
首页 业界区 安全 小灯部分总分析

小灯部分总分析

琦谓 2025-7-23 18:28:32
点亮小灯

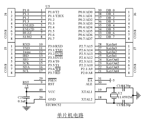
硬件分析

1.png

该节内容以LED2为例
分析LED部分:
欲点亮LED2,则LED2需导通状态
Q16导通,DB0低电平时,此时LED2有压降,则LED2可导通
分析74HC245芯片:
72HC245
19号OE号脚,为使能引脚,该引脚接地,所以是低电平,该引脚低电平有效,故74HC245芯片可作用
1号脚是方向引脚,接VCC,故是高电平,所以是A编号引脚控制B编号引脚
A1号脚低电平则B1号脚低电平,即DB_0低电平则DB0低电平 ^DBX-0
分析74HC138芯片:
74HC138
4号脚E1为低电平有效,5号脚E2低电平有效,E3高电平有效
欲达到上述效果,则
ENLED低电平,此时E1和E2均为低电平
ADDR3高电平,此时E3高电平
此时,该芯片可正常使用
欲使Q16导通,则LEDS6需要为低电平,此时Q16才有压降,才可以导通
欲使LEDS6低电平,查真值表后,需要3号脚A2为高电平,2号脚A1为高电平,1号脚A0为低电平
欲达到以上效果,则
ADDR0为低电平,则A0为低电平
ADDR1为高电平,则A1为高电平
ADDR2为高电平,则A2为高电平 ^Q16-1
分析跳线部分:
2.png

欲时ADDR0低电平,则P1.0需要低电平
欲使ADDR1高电平,则P1.1需要高电平
欲使ADDR2高电平,则P1.2需要高电平
欲使ADDR3高电平,则P1.3需要高电平
3.png

欲使DB_0低电平,则P0.0需要低电平
欲使ENLED低电平,则P1.4需要低电平
综上:
欲电亮小灯,
P0.0低电平,等效于DB_0低电平
P1.0低电平,等效于ADDR0低电平
P1.1高电平,等效于ADDR1高电平
P1.2高电平,等效于ADDR2高电平
P1.3高电平,等效于ADDR3高电平
P1.4低电平,等效于ENLED低电平
代码

点亮 LED2
  1. #include<reg52.h>
  2. sbit LED = P0 ^ 0;
  3. sbit ADDR0 = P1 ^ 0;
  4. sbit ADDR1 = P1 ^ 1;
  5. sbit ADDR2 = P1 ^ 2;
  6. sbit ADDR3 = P1 ^ 3;
  7. sbit ENLED = P1 ^ 4;
  8. void main()
  9. {
  10.     ENLED = 0;
  11.     ADDR3 = 1;//U3 74HC138芯片使能
  12.     ADDR2 = 1;
  13.     ADDR1 = 1;
  14.     ADDR0 = 0;//三极管导通
  15.     LED = 0;//灯亮
  16.     while (1);
  17. }
复制代码
点亮LED3
  1. #include<reg52.h>
  2. sbit LED = P0 ^ 1;
  3. sbit ADDR0 = P1 ^ 0;
  4. sbit ADDR1 = P1 ^ 1;
  5. sbit ADDR2 = P1 ^ 2;
  6. sbit ADDR3 = P1 ^ 3;
  7. sbit ENLED = P1 ^ 4;
  8. void main()
  9. {
  10.     ENLED = 0;
  11.     ADDR3 = 1;//U3 74HC138芯片使能
  12.     ADDR2 = 1;
  13.     ADDR1 = 1;
  14.     ADDR0 = 0;//三极管导通
  15.     LED = 0;//灯亮
  16.     while (1);
  17. }
复制代码
点亮LED4
  1. #include<reg52.h>
  2. sbit LED = P0 ^ 2;
  3. sbit ADDR0 = P1 ^ 0;
  4. sbit ADDR1 = P1 ^ 1;
  5. sbit ADDR2 = P1 ^ 2;
  6. sbit ADDR3 = P1 ^ 3;
  7. sbit ENLED = P1 ^ 4;
  8. void main()
  9. {
  10.     ENLED = 0;
  11.     ADDR3 = 1;//U3 74HC138芯片使能
  12.     ADDR2 = 1;
  13.     ADDR1 = 1;
  14.     ADDR0 = 0;//三极管导通
  15.     LED = 0;//灯亮
  16.     while (1);
  17. }
复制代码
点亮LED5
  1. #include<reg52.h>
  2. sbit LED = P0 ^ 3;
  3. sbit ADDR0 = P1 ^ 0;
  4. sbit ADDR1 = P1 ^ 1;
  5. sbit ADDR2 = P1 ^ 2;
  6. sbit ADDR3 = P1 ^ 3;
  7. sbit ENLED = P1 ^ 4;
  8. void main()
  9. {
  10.     ENLED = 0;
  11.     ADDR3 = 1;//U3 74HC138芯片使能
  12.     ADDR2 = 1;
  13.     ADDR1 = 1;
  14.     ADDR0 = 0;//三极管导通
  15.     LED = 0;//灯亮
  16.     while (1);
  17. }
复制代码
点亮LED6
  1. #include<reg52.h>
  2. sbit LED = P0 ^ 4;
  3. sbit ADDR0 = P1 ^ 0;
  4. sbit ADDR1 = P1 ^ 1;
  5. sbit ADDR2 = P1 ^ 2;
  6. sbit ADDR3 = P1 ^ 3;
  7. sbit ENLED = P1 ^ 4;
  8. void main()
  9. {
  10.     ENLED = 0;
  11.     ADDR3 = 1;//U3 74HC138芯片使能
  12.     ADDR2 = 1;
  13.     ADDR1 = 1;
  14.     ADDR0 = 0;//三极管导通
  15.     LED = 0;//灯亮
  16.     while (1);
  17. }
复制代码
点亮LED7
  1. #include<reg52.h>
  2. sbit LED = P0 ^ 5;
  3. sbit ADDR0 = P1 ^ 0;
  4. sbit ADDR1 = P1 ^ 1;
  5. sbit ADDR2 = P1 ^ 2;
  6. sbit ADDR3 = P1 ^ 3;
  7. sbit ENLED = P1 ^ 4;
  8. void main()
  9. {
  10.     ENLED = 0;
  11.     ADDR3 = 1;//U3 74HC138芯片使能
  12.     ADDR2 = 1;
  13.     ADDR1 = 1;
  14.     ADDR0 = 0;//三极管导通
  15.     LED = 0;//灯亮
  16.     while (1);
  17. }
复制代码
点亮LED8
  1. #include<reg52.h>
  2. sbit LED = P0 ^ 6;
  3. sbit ADDR0 = P1 ^ 0;
  4. sbit ADDR1 = P1 ^ 1;
  5. sbit ADDR2 = P1 ^ 2;
  6. sbit ADDR3 = P1 ^ 3;
  7. sbit ENLED = P1 ^ 4;
  8. void main()
  9. {
  10.     ENLED = 0;
  11.     ADDR3 = 1;//U3 74HC138芯片使能
  12.     ADDR2 = 1;
  13.     ADDR1 = 1;
  14.     ADDR0 = 0;//三极管导通
  15.     LED = 0;//灯亮
  16.     while (1);
  17. }
复制代码
点亮LED9
  1. #include<reg52.h>
  2. sbit LED = P0 ^ 7;
  3. sbit ADDR0 = P1 ^ 0;
  4. sbit ADDR1 = P1 ^ 1;
  5. sbit ADDR2 = P1 ^ 2;
  6. sbit ADDR3 = P1 ^ 3;
  7. sbit ENLED = P1 ^ 4;
  8. void main()
  9. {
  10.     ENLED = 0;
  11.     ADDR3 = 1;//U3 74HC138芯片使能
  12.     ADDR2 = 1;
  13.     ADDR1 = 1;
  14.     ADDR0 = 0;//三极管导通
  15.     LED = 0;//灯亮
  16.     while (1);
  17. }
复制代码
小灯闪烁

LED2闪烁
  1. #include <reg52.h>
  2. sbit LED   = P0 ^ 0;
  3. sbit ADDR0 = P1 ^ 0;
  4. sbit ADDR1 = P1 ^ 1;
  5. sbit ADDR2 = P1 ^ 2;
  6. sbit ADDR3 = P1 ^ 3;
  7. sbit ENLED = P1 ^ 4;
  8. void main()
  9. {
  10.     unsigned int i = 0;
  11.     ENLED = 0;
  12.     ADDR3 = 1;//U3 74HC138芯片使能
  13.     ADDR2 = 1;
  14.     ADDR1 = 1;
  15.     ADDR0 = 0;//三极管导通
  16.     while (1)
  17.         {
  18.         LED = 0;//灯亮
  19.         for (i = 0; i < 30000; ++i);//非精确延时
  20.         LED = 1;//灯灭
  21.                 for (i = 0; i < 30000; ++i);//非精确延时
  22.     }
  23. }
复制代码
LED3闪烁
  1. #include <reg52.h>
  2. sbit LED   = P0 ^ 1;
  3. sbit ADDR0 = P1 ^ 0;
  4. sbit ADDR1 = P1 ^ 1;
  5. sbit ADDR2 = P1 ^ 2;
  6. sbit ADDR3 = P1 ^ 3;
  7. sbit ENLED = P1 ^ 4;
  8. void main()
  9. {
  10.     unsigned int i = 0;
  11.     ENLED = 0;
  12.     ADDR3 = 1;//U3 74HC138芯片使能
  13.     ADDR2 = 1;
  14.     ADDR1 = 1;
  15.     ADDR0 = 0;//三极管导通
  16.     while (1)
  17.         {
  18.         LED = 0;//灯亮
  19.         for (i = 0; i < 30000; ++i);//非精确延时
  20.         LED = 1;//灯灭
  21.                 for (i = 0; i < 30000; ++i);//非精确延时
  22.     }
  23. }
复制代码
LED4闪烁
  1. #include <reg52.h>
  2. sbit LED   = P0 ^ 2;
  3. sbit ADDR0 = P1 ^ 0;
  4. sbit ADDR1 = P1 ^ 1;
  5. sbit ADDR2 = P1 ^ 2;
  6. sbit ADDR3 = P1 ^ 3;
  7. sbit ENLED = P1 ^ 4;
  8. void main()
  9. {
  10.     unsigned int i = 0;
  11.     ENLED = 0;
  12.     ADDR3 = 1;//U3 74HC138芯片使能
  13.     ADDR2 = 1;
  14.     ADDR1 = 1;
  15.     ADDR0 = 0;//三极管导通
  16.     while (1)
  17.         {
  18.         LED = 0;//灯亮
  19.         for (i = 0; i < 30000; ++i);//非精确延时
  20.         LED = 1;//灯灭
  21.                 for (i = 0; i < 30000; ++i);//非精确延时
  22.     }
  23. }
复制代码
LED5闪烁
  1. #include <reg52.h>
  2. sbit LED   = P0 ^ 3;
  3. sbit ADDR0 = P1 ^ 0;
  4. sbit ADDR1 = P1 ^ 1;
  5. sbit ADDR2 = P1 ^ 2;
  6. sbit ADDR3 = P1 ^ 3;
  7. sbit ENLED = P1 ^ 4;
  8. void main()
  9. {
  10.     unsigned int i = 0;
  11.     ENLED = 0;
  12.     ADDR3 = 1;//U3 74HC138芯片使能
  13.     ADDR2 = 1;
  14.     ADDR1 = 1;
  15.     ADDR0 = 0;//三极管导通
  16.     while (1)
  17.         {
  18.         LED = 0;//灯亮
  19.         for (i = 0; i < 30000; ++i);//非精确延时
  20.         LED = 1;//灯灭
  21.                 for (i = 0; i < 30000; ++i);//非精确延时
  22.     }
  23. }
复制代码
LED6闪烁
  1. #include <reg52.h>
  2. sbit LED   = P0 ^ 4;
  3. sbit ADDR0 = P1 ^ 0;
  4. sbit ADDR1 = P1 ^ 1;
  5. sbit ADDR2 = P1 ^ 2;
  6. sbit ADDR3 = P1 ^ 3;
  7. sbit ENLED = P1 ^ 4;
  8. void main()
  9. {
  10.     unsigned int i = 0;
  11.     ENLED = 0;
  12.     ADDR3 = 1;//U3 74HC138芯片使能
  13.     ADDR2 = 1;
  14.     ADDR1 = 1;
  15.     ADDR0 = 0;//三极管导通
  16.     while (1)
  17.         {
  18.         LED = 0;//灯亮
  19.         for (i = 0; i < 30000; ++i);//非精确延时
  20.         LED = 1;//灯灭
  21.                 for (i = 0; i < 30000; ++i);//非精确延时
  22.     }
  23. }
复制代码
LED7闪烁
  1. #include <reg52.h>
  2. sbit LED   = P0 ^ 5;
  3. sbit ADDR0 = P1 ^ 0;
  4. sbit ADDR1 = P1 ^ 1;
  5. sbit ADDR2 = P1 ^ 2;
  6. sbit ADDR3 = P1 ^ 3;
  7. sbit ENLED = P1 ^ 4;
  8. void main()
  9. {
  10.     unsigned int i = 0;
  11.     ENLED = 0;
  12.     ADDR3 = 1;//U3 74HC138芯片使能
  13.     ADDR2 = 1;
  14.     ADDR1 = 1;
  15.     ADDR0 = 0;//三极管导通
  16.     while (1)
  17.         {
  18.         LED = 0;//灯亮
  19.         for (i = 0; i < 30000; ++i);//非精确延时
  20.         LED = 1;//灯灭
  21.                 for (i = 0; i < 30000; ++i);//非精确延时
  22.     }
  23. }
复制代码
LED8闪烁
  1. #include <reg52.h>
  2. sbit LED   = P0 ^ 6;
  3. sbit ADDR0 = P1 ^ 0;
  4. sbit ADDR1 = P1 ^ 1;
  5. sbit ADDR2 = P1 ^ 2;
  6. sbit ADDR3 = P1 ^ 3;
  7. sbit ENLED = P1 ^ 4;
  8. void main()
  9. {
  10.     unsigned int i = 0;
  11.     ENLED = 0;
  12.     ADDR3 = 1;//U3 74HC138芯片使能
  13.     ADDR2 = 1;
  14.     ADDR1 = 1;
  15.     ADDR0 = 0;//三极管导通
  16.     while (1)
  17.         {
  18.         LED = 0;//灯亮
  19.         for (i = 0; i < 30000; ++i);//非精确延时
  20.         LED = 1;//灯灭
  21.                 for (i = 0; i < 30000; ++i);//非精确延时
  22.     }
  23. }
复制代码
LED9闪烁
  1. #include <reg52.h>
  2. sbit LED   = P0 ^ 7;
  3. sbit ADDR0 = P1 ^ 0;
  4. sbit ADDR1 = P1 ^ 1;
  5. sbit ADDR2 = P1 ^ 2;
  6. sbit ADDR3 = P1 ^ 3;
  7. sbit ENLED = P1 ^ 4;
  8. void main()
  9. {
  10.     unsigned int i = 0;
  11.     ENLED = 0;
  12.     ADDR3 = 1;//U3 74HC138芯片使能
  13.     ADDR2 = 1;
  14.     ADDR1 = 1;
  15.     ADDR0 = 0;//三极管导通
  16.     while (1)
  17.         {
  18.         LED = 0;//灯亮
  19.         for (i = 0; i < 30000; ++i);//非精确延时
  20.         LED = 1;//灯灭
  21.                 for (i = 0; i < 30000; ++i);//非精确延时
  22.     }
  23. }
复制代码
流水灯

右向左

[code]#include sbit ADDR0 = P1 ^ 0;sbit ADDR1 = P1 ^ 1;sbit ADDR2 = P1 ^ 2;sbit ADDR3 = P1 ^ 3;sbit ENLED = P1 ^ 4;void main(){    unsigned int i = 0;        char cnt = 0;    ENLED = 0;    ADDR3 = 1;//U3 74HC138芯片使能    ADDR2 = 1;    ADDR1 = 1;    ADDR0 = 0;//三极管导通    while (1)         {                                  if (8 == cnt)//到最左边,需要进行复位,点亮最右边                        cnt = 0;                P0 = ~(1

相关推荐

2025-10-10 13:19:55

举报

您需要登录后才可以回帖 登录 | 立即注册