登录
/
注册
首页
论坛
其它
首页
科技
业界
安全
程序
广播
Follow
关于
导读
排行榜
资讯
发帖说明
登录
/
注册
账号
自动登录
找回密码
密码
登录
立即注册
搜索
搜索
关闭
CSDN热搜
程序园
精品问答
技术交流
资源下载
本版
帖子
用户
软件
问答
教程
代码
写记录
写博客
小组
VIP申请
VIP网盘
网盘
联系我们
发帖说明
道具
勋章
任务
淘帖
动态
分享
留言板
导读
设置
我的收藏
退出
腾讯QQ
微信登录
返回列表
首页
›
业界区
›
安全
›
小灯部分总分析
小灯部分总分析
[ 复制链接 ]
扎先
2025-7-23 18:29:27
程序园永久vip申请,500美金$,无限下载程序园所有程序/软件/数据/等
点亮小灯
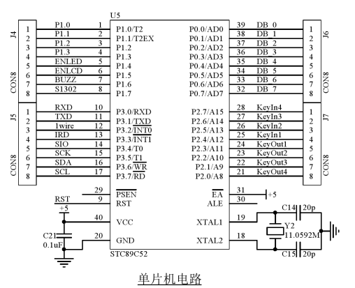
硬件分析
该节内容以LED2为例
分析LED部分:
欲点亮LED2,则LED2需导通状态
Q16导通,DB0低电平时,此时LED2有压降,则LED2可导通
分析74HC245芯片:
72HC245
19号OE号脚,为使能引脚,该引脚接地,所以是低电平,该引脚低电平有效,故74HC245芯片可作用
1号脚是方向引脚,接VCC,故是高电平,所以是A编号引脚控制B编号引脚
A1号脚低电平则B1号脚低电平,即DB_0低电平则DB0低电平 ^DBX-0
分析74HC138芯片:
74HC138
4号脚E1为低电平有效,5号脚E2低电平有效,E3高电平有效
欲达到上述效果,则
ENLED低电平,此时E1和E2均为低电平
ADDR3高电平,此时E3高电平
此时,该芯片可正常使用
欲使Q16导通,则LEDS6需要为低电平,此时Q16才有压降,才可以导通
欲使LEDS6低电平,查真值表后,需要3号脚A2为高电平,2号脚A1为高电平,1号脚A0为低电平
欲达到以上效果,则
ADDR0为低电平,则A0为低电平
ADDR1为高电平,则A1为高电平
ADDR2为高电平,则A2为高电平 ^Q16-1
分析跳线部分:
欲时ADDR0低电平,则P1.0需要低电平
欲使ADDR1高电平,则P1.1需要高电平
欲使ADDR2高电平,则P1.2需要高电平
欲使ADDR3高电平,则P1.3需要高电平
欲使DB_0低电平,则P0.0需要低电平
欲使ENLED低电平,则P1.4需要低电平
综上:
欲电亮小灯,
P0.0低电平,等效于DB_0低电平
P1.0低电平,等效于ADDR0低电平
P1.1高电平,等效于ADDR1高电平
P1.2高电平,等效于ADDR2高电平
P1.3高电平,等效于ADDR3高电平
P1.4低电平,等效于ENLED低电平
代码
点亮 LED2
#include<reg52.h>
sbit LED = P0 ^ 0;
sbit ADDR0 = P1 ^ 0;
sbit ADDR1 = P1 ^ 1;
sbit ADDR2 = P1 ^ 2;
sbit ADDR3 = P1 ^ 3;
sbit ENLED = P1 ^ 4;
void main()
{
ENLED = 0;
ADDR3 = 1;//U3 74HC138芯片使能
ADDR2 = 1;
ADDR1 = 1;
ADDR0 = 0;//三极管导通
LED = 0;//灯亮
while (1);
}
复制代码
点亮LED3
#include<reg52.h>
sbit LED = P0 ^ 1;
sbit ADDR0 = P1 ^ 0;
sbit ADDR1 = P1 ^ 1;
sbit ADDR2 = P1 ^ 2;
sbit ADDR3 = P1 ^ 3;
sbit ENLED = P1 ^ 4;
void main()
{
ENLED = 0;
ADDR3 = 1;//U3 74HC138芯片使能
ADDR2 = 1;
ADDR1 = 1;
ADDR0 = 0;//三极管导通
LED = 0;//灯亮
while (1);
}
复制代码
点亮LED4
#include<reg52.h>
sbit LED = P0 ^ 2;
sbit ADDR0 = P1 ^ 0;
sbit ADDR1 = P1 ^ 1;
sbit ADDR2 = P1 ^ 2;
sbit ADDR3 = P1 ^ 3;
sbit ENLED = P1 ^ 4;
void main()
{
ENLED = 0;
ADDR3 = 1;//U3 74HC138芯片使能
ADDR2 = 1;
ADDR1 = 1;
ADDR0 = 0;//三极管导通
LED = 0;//灯亮
while (1);
}
复制代码
点亮LED5
#include<reg52.h>
sbit LED = P0 ^ 3;
sbit ADDR0 = P1 ^ 0;
sbit ADDR1 = P1 ^ 1;
sbit ADDR2 = P1 ^ 2;
sbit ADDR3 = P1 ^ 3;
sbit ENLED = P1 ^ 4;
void main()
{
ENLED = 0;
ADDR3 = 1;//U3 74HC138芯片使能
ADDR2 = 1;
ADDR1 = 1;
ADDR0 = 0;//三极管导通
LED = 0;//灯亮
while (1);
}
复制代码
点亮LED6
#include<reg52.h>
sbit LED = P0 ^ 4;
sbit ADDR0 = P1 ^ 0;
sbit ADDR1 = P1 ^ 1;
sbit ADDR2 = P1 ^ 2;
sbit ADDR3 = P1 ^ 3;
sbit ENLED = P1 ^ 4;
void main()
{
ENLED = 0;
ADDR3 = 1;//U3 74HC138芯片使能
ADDR2 = 1;
ADDR1 = 1;
ADDR0 = 0;//三极管导通
LED = 0;//灯亮
while (1);
}
复制代码
点亮LED7
#include<reg52.h>
sbit LED = P0 ^ 5;
sbit ADDR0 = P1 ^ 0;
sbit ADDR1 = P1 ^ 1;
sbit ADDR2 = P1 ^ 2;
sbit ADDR3 = P1 ^ 3;
sbit ENLED = P1 ^ 4;
void main()
{
ENLED = 0;
ADDR3 = 1;//U3 74HC138芯片使能
ADDR2 = 1;
ADDR1 = 1;
ADDR0 = 0;//三极管导通
LED = 0;//灯亮
while (1);
}
复制代码
点亮LED8
#include<reg52.h>
sbit LED = P0 ^ 6;
sbit ADDR0 = P1 ^ 0;
sbit ADDR1 = P1 ^ 1;
sbit ADDR2 = P1 ^ 2;
sbit ADDR3 = P1 ^ 3;
sbit ENLED = P1 ^ 4;
void main()
{
ENLED = 0;
ADDR3 = 1;//U3 74HC138芯片使能
ADDR2 = 1;
ADDR1 = 1;
ADDR0 = 0;//三极管导通
LED = 0;//灯亮
while (1);
}
复制代码
点亮LED9
#include<reg52.h>
sbit LED = P0 ^ 7;
sbit ADDR0 = P1 ^ 0;
sbit ADDR1 = P1 ^ 1;
sbit ADDR2 = P1 ^ 2;
sbit ADDR3 = P1 ^ 3;
sbit ENLED = P1 ^ 4;
void main()
{
ENLED = 0;
ADDR3 = 1;//U3 74HC138芯片使能
ADDR2 = 1;
ADDR1 = 1;
ADDR0 = 0;//三极管导通
LED = 0;//灯亮
while (1);
}
复制代码
小灯闪烁
LED2闪烁
#include <reg52.h>
sbit LED = P0 ^ 0;
sbit ADDR0 = P1 ^ 0;
sbit ADDR1 = P1 ^ 1;
sbit ADDR2 = P1 ^ 2;
sbit ADDR3 = P1 ^ 3;
sbit ENLED = P1 ^ 4;
void main()
{
unsigned int i = 0;
ENLED = 0;
ADDR3 = 1;//U3 74HC138芯片使能
ADDR2 = 1;
ADDR1 = 1;
ADDR0 = 0;//三极管导通
while (1)
{
LED = 0;//灯亮
for (i = 0; i < 30000; ++i);//非精确延时
LED = 1;//灯灭
for (i = 0; i < 30000; ++i);//非精确延时
}
}
复制代码
LED3闪烁
#include <reg52.h>
sbit LED = P0 ^ 1;
sbit ADDR0 = P1 ^ 0;
sbit ADDR1 = P1 ^ 1;
sbit ADDR2 = P1 ^ 2;
sbit ADDR3 = P1 ^ 3;
sbit ENLED = P1 ^ 4;
void main()
{
unsigned int i = 0;
ENLED = 0;
ADDR3 = 1;//U3 74HC138芯片使能
ADDR2 = 1;
ADDR1 = 1;
ADDR0 = 0;//三极管导通
while (1)
{
LED = 0;//灯亮
for (i = 0; i < 30000; ++i);//非精确延时
LED = 1;//灯灭
for (i = 0; i < 30000; ++i);//非精确延时
}
}
复制代码
LED4闪烁
#include <reg52.h>
sbit LED = P0 ^ 2;
sbit ADDR0 = P1 ^ 0;
sbit ADDR1 = P1 ^ 1;
sbit ADDR2 = P1 ^ 2;
sbit ADDR3 = P1 ^ 3;
sbit ENLED = P1 ^ 4;
void main()
{
unsigned int i = 0;
ENLED = 0;
ADDR3 = 1;//U3 74HC138芯片使能
ADDR2 = 1;
ADDR1 = 1;
ADDR0 = 0;//三极管导通
while (1)
{
LED = 0;//灯亮
for (i = 0; i < 30000; ++i);//非精确延时
LED = 1;//灯灭
for (i = 0; i < 30000; ++i);//非精确延时
}
}
复制代码
LED5闪烁
#include <reg52.h>
sbit LED = P0 ^ 3;
sbit ADDR0 = P1 ^ 0;
sbit ADDR1 = P1 ^ 1;
sbit ADDR2 = P1 ^ 2;
sbit ADDR3 = P1 ^ 3;
sbit ENLED = P1 ^ 4;
void main()
{
unsigned int i = 0;
ENLED = 0;
ADDR3 = 1;//U3 74HC138芯片使能
ADDR2 = 1;
ADDR1 = 1;
ADDR0 = 0;//三极管导通
while (1)
{
LED = 0;//灯亮
for (i = 0; i < 30000; ++i);//非精确延时
LED = 1;//灯灭
for (i = 0; i < 30000; ++i);//非精确延时
}
}
复制代码
LED6闪烁
#include <reg52.h>
sbit LED = P0 ^ 4;
sbit ADDR0 = P1 ^ 0;
sbit ADDR1 = P1 ^ 1;
sbit ADDR2 = P1 ^ 2;
sbit ADDR3 = P1 ^ 3;
sbit ENLED = P1 ^ 4;
void main()
{
unsigned int i = 0;
ENLED = 0;
ADDR3 = 1;//U3 74HC138芯片使能
ADDR2 = 1;
ADDR1 = 1;
ADDR0 = 0;//三极管导通
while (1)
{
LED = 0;//灯亮
for (i = 0; i < 30000; ++i);//非精确延时
LED = 1;//灯灭
for (i = 0; i < 30000; ++i);//非精确延时
}
}
复制代码
LED7闪烁
#include <reg52.h>
sbit LED = P0 ^ 5;
sbit ADDR0 = P1 ^ 0;
sbit ADDR1 = P1 ^ 1;
sbit ADDR2 = P1 ^ 2;
sbit ADDR3 = P1 ^ 3;
sbit ENLED = P1 ^ 4;
void main()
{
unsigned int i = 0;
ENLED = 0;
ADDR3 = 1;//U3 74HC138芯片使能
ADDR2 = 1;
ADDR1 = 1;
ADDR0 = 0;//三极管导通
while (1)
{
LED = 0;//灯亮
for (i = 0; i < 30000; ++i);//非精确延时
LED = 1;//灯灭
for (i = 0; i < 30000; ++i);//非精确延时
}
}
复制代码
LED8闪烁
#include <reg52.h>
sbit LED = P0 ^ 6;
sbit ADDR0 = P1 ^ 0;
sbit ADDR1 = P1 ^ 1;
sbit ADDR2 = P1 ^ 2;
sbit ADDR3 = P1 ^ 3;
sbit ENLED = P1 ^ 4;
void main()
{
unsigned int i = 0;
ENLED = 0;
ADDR3 = 1;//U3 74HC138芯片使能
ADDR2 = 1;
ADDR1 = 1;
ADDR0 = 0;//三极管导通
while (1)
{
LED = 0;//灯亮
for (i = 0; i < 30000; ++i);//非精确延时
LED = 1;//灯灭
for (i = 0; i < 30000; ++i);//非精确延时
}
}
复制代码
LED9闪烁
#include <reg52.h>
sbit LED = P0 ^ 7;
sbit ADDR0 = P1 ^ 0;
sbit ADDR1 = P1 ^ 1;
sbit ADDR2 = P1 ^ 2;
sbit ADDR3 = P1 ^ 3;
sbit ENLED = P1 ^ 4;
void main()
{
unsigned int i = 0;
ENLED = 0;
ADDR3 = 1;//U3 74HC138芯片使能
ADDR2 = 1;
ADDR1 = 1;
ADDR0 = 0;//三极管导通
while (1)
{
LED = 0;//灯亮
for (i = 0; i < 30000; ++i);//非精确延时
LED = 1;//灯灭
for (i = 0; i < 30000; ++i);//非精确延时
}
}
复制代码
流水灯
右向左
[code]#include sbit ADDR0 = P1 ^ 0;sbit ADDR1 = P1 ^ 1;sbit ADDR2 = P1 ^ 2;sbit ADDR3 = P1 ^ 3;sbit ENLED = P1 ^ 4;void main(){ unsigned int i = 0; char cnt = 0; ENLED = 0; ADDR3 = 1;//U3 74HC138芯片使能 ADDR2 = 1; ADDR1 = 1; ADDR0 = 0;//三极管导通 while (1) { if (8 == cnt)//到最左边,需要进行复位,点亮最右边 cnt = 0; P0 = ~(1
小灯
部分
分析
相关帖子
Hudi 数据模型分析
ELK日志分析平台搭建实战:从日志混乱到一目了然
Hudi 文件格式分析
Spring Cloud Gateway 源码分析一
WebMVC 与 WebFlux 模式对比分析
误差分析与学习方法 课后习题和代码实践
一键采集微信文章所有数据:阅读数、留言评论、分享量、推荐量等…运营分析直接用
PainPoints:让痛点分析变得简单高效
PHP 8.6 即将支持部分函数应用
【分析式AI】-带你秒弄懂决策树与随机森林
回复
使用道具
举报
提升卡
置顶卡
沉默卡
喧嚣卡
变色卡
千斤顶
照妖镜
相关推荐
业界
Hudi 数据模型分析
1
891
兼罔
2025-12-03
业界
ELK日志分析平台搭建实战:从日志混乱到一目了然
2
1011
费卿月
2025-12-03
业界
Hudi 文件格式分析
0
820
万俟谷雪
2025-12-03
业界
Spring Cloud Gateway 源码分析一
2
409
忌才砟
2025-12-06
业界
WebMVC 与 WebFlux 模式对比分析
1
477
厂潺
2025-12-07
业界
误差分析与学习方法 课后习题和代码实践
0
260
柴古香
2025-12-07
业界
一键采集微信文章所有数据:阅读数、留言评论、分享量、推荐量等…运营分析直接用
0
889
赶塑坠
2025-12-09
安全
PainPoints:让痛点分析变得简单高效
1
103
处匈跑
2025-12-10
业界
PHP 8.6 即将支持部分函数应用
0
709
昝琳怡
2025-12-14
业界
【分析式AI】-带你秒弄懂决策树与随机森林
1
899
陆菊
2025-12-16
回复
(2)
凤清昶
2025-11-11 08:06:06
回复
使用道具
举报
照妖镜
程序园永久vip申请,500美金$,无限下载程序园所有程序/软件/数据/等
谢谢分享,辛苦了
铜坠匍
7 天前
回复
使用道具
举报
照妖镜
猛犸象科技工作室:
网站开发,备案域名,渗透,服务器出租,DDOS/CC攻击,TG加粉引流
感谢发布原创作品,程序园因你更精彩
高级模式
B
Color
Image
Link
Quote
Code
Smilies
您需要登录后才可以回帖
登录
|
立即注册
回复
本版积分规则
回帖并转播
回帖后跳转到最后一页
浏览过的版块
代码
签约作者
程序园优秀签约作者
发帖
扎先
7 天前
关注
0
粉丝关注
21
主题发布
板块介绍填写区域,请于后台编辑
财富榜{圆}
anyue1937
9994893
kk14977
6845357
3934307807
991124
4
xiangqian
638210
5
韶又彤
9998
6
宋子
9983
7
闰咄阅
9993
8
刎唇
9993
9
俞瑛瑶
9998
10
蓬森莉
9951
查看更多
今日好文热榜
586
python3.13 3.14 新特性 好好好
780
Python新利器:用uv轻松管理venv虚拟环境和
953
Open-AutoGLM项目衍生自研app测试思路
179
.Net-Avalonia学习笔记(目录)
435
PoloAPI 绘画接口全攻略:从参数详解到实战
144
剑指offer-50、数组中重复的数字
178
嫌 Google 的 TCREI 太复杂?RACE 会更适合
975
Spring Boot中HTTP请求参数转换和请求体JSO
530
AI手机的“简单替换陷阱”与Hadoop、Cloude
474
用C#重现Gin风格:极简、效率与可扩展性设
241
AI运动识别插件-APP版新版特性速览
776
NetBox 自动化导入资产 - IP地址
80
在调度的花园里面挖呀挖
766
ACP:让 AI 编程工具配置从此告别碎片化 —
862
画高保真原型图用什么软件?产品经理与设计
67
企业数字化转型如何破局?看这三大招
752
解决 iOS 上 Swiper 滑动图片闪烁问题:原
425
OpenCV (C++) 提速技巧(以Haar小波变换为
210
Claude Code 使用 Skills
671
资源总是不够用?这次,我用一套系统盘活了