登录
/
注册
首页
论坛
其它
首页
科技
业界
安全
程序
广播
Follow
关于
导读
排行榜
发帖说明
登录
/
注册
账号
自动登录
找回密码
密码
登录
立即注册
搜索
搜索
关闭
CSDN热搜
程序园
精品问答
技术交流
资源下载
本版
帖子
用户
软件
问答
教程
代码
写记录
写博客
小组
VIP申请
VIP网盘
网盘
联系我们
发帖说明
道具
勋章
任务
淘帖
动态
分享
留言板
导读
设置
我的收藏
退出
腾讯QQ
微信登录
社区
›
业界区
›
安全
安全
今日:
157
|
主题:
7525
收藏本版
(
0
)
推荐主题
剑指offer-27、字符串的排列
读商战数据挖掘:你需要了解的数据科学与分析思维03数据挖掘流程
Docker Swarm 集群搭建
ansible开局配置-openEuler
【Linux】grub命令行引导进入windows系统
时序数据库 Apache IoTDB 毕业五周年,“对暗号”获取你的蛇年 T 恤!
k8s 新版创建完 serviceaccount 后-- 不再生成 对应的--token
Keepalived 的高可用配置与使用
CFS调度参数: sched_wakeup_granularity
痞子衡嵌入式:MCUBootUtility v6.3发布,支持获取与解析启动日志
基于Flask的Web应用开发
新窗
综合排序
最新主题
热门推荐
精选内容
学信息系统项目管理师第4版系列23_成本管理
1. 项目成本失控的原因 1.1. 对工程项目认识不足 1.1.1. 对信息系统工程成本控制的特点认识不足 1.1.2. 工程项目的规模不合理 1.1.3. 工程项目设计及实施人员缺乏成本意识 1.1.4. 对项目成本的使用缺乏责任感 1.2. 组织制 ...
钱闲华
1 小时前
76
0
3
通过API查询股票基本面+K线
在股票投资和分析中,获取实时的股票基础信息是非常重要的。Infoway 提供了一个 API 接口,允许用户快速获取股票的基本信息,比如公司名称、每股收益(EPS)、每股账面价值(BPS)、股息收益率等。本文将通过具体的代码示例,教你如何使 ...
闻人莹华
1 小时前
806
0
5
剑指offer-2、替换空格
题目描述 请实现一个函数,将一个字符串中的空格替换成“%20”。例如,当字符串为"We Are Happy",则经过替换之后的字符串为"We%20Are%20Happy"。 思路及解答 调⽤API函数 java ⾥⾯有可以直接使⽤的函数replace() ,直接写成下⾯这样 ...
猷浮
1 小时前
392
0
5
《痞子衡嵌入式半月刊》 第 112 期
痞子衡嵌入式半月刊: 第 112 期 这里分享嵌入式领域有用有趣的项目/工具以及一些热点新闻,农历年分二十四节气,希望在每个交节之日准时发布一期。 本期刊是开源项目(GitHub: JayHeng/pzh-mcu-bi-weekly),欢迎提交 issue,投稿或推 ...
羔迪
1 小时前
716
0
2
帮你短时间拿下Git,Git详细教程(浓缩的都是精华)
Git学习笔记 Git是一个开源的分布式版本控制系统,可以有效、高速地处理从很小到非常大的项目版本管理。 在团队开发中git是必不可少的,它是目前为止最流行的版本控制工具 Git是免费、开源的,由Linux之父花了两周时间写出来的(人与人 ...
喳谍
1 小时前
671
0
2
Linux系统的VPS性能怎么测试?
电棘缣
1 小时前
65
0
7
力扣第136题-只出现一次的数字
题目描述 [code]给你一个 非空 整数数组 nums ,除了某个元素只出现一次以外,其余每个元素均出现两次。找出那个只出现了一次的元素。你必须设计并实现线性时间复杂度的算法来解决此问题,且该算法只使用常量额外空间。 示例 1 :输入: ...
吟氅
1 小时前
557
0
4
16.Java源码分析系列笔记-JDK1.7的ConcurrentHashMap
目录 [*]1. 构造方法 [*]2. put方法 [*]2.1. hash [*]2.2. ensureSegment [*]2.3. segment的put方法 [*]2.3.1. scanAndLockForPut [*]2.3.2. rehash [*]3. get [*]4. containsKey方法 [*]5. remove [*]5.1. segmentForHash [*]5.2. ...
茅断卉
1 小时前
1014
0
4
最受欢迎数据库客户端-Navicat Premium最新版(17.1.5) MacOS版免费下载 | 2025年
该版本为MacOS专用,最新稳定版,相比旧版本,性能更高、资源占用更小、修复了频繁崩溃的bug。 navicat最新破解版本都需要关闭SIP,如何关闭可参考这篇文章 Navicat Premium 是一款非常强大的数据库管理工具,允许您在一个应用程序中同时 ...
届表
1 小时前
499
0
3
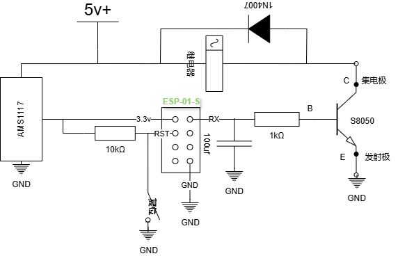
EPS-01S 刷 Tasmota 固件手搓继电器开关
网上有卖这种 WiFi 继电器,自己手动实现这个 WiFi 继电器(硬件小白),操作时请注意用电安全。 元器件清单 tasmota 一、接线 确定设备上的引脚后,请根据下表连接电线: 二、刷固件 具体操作网上有大量案例自己搜索,使用谷歌浏览 ...
丰江
1 小时前
614
0
2
2025年3月中国数据库排行榜:PolarDB夺魁傲群雄,GoldenDB晋位入三强
阳春三月,万物复苏。2025年3月中国数据库流行度排行榜的发布,不仅展现了中国数据库企业在技术创新、生态建设和应用深化方面的显著成就,也让人感受到市场的蓬勃生机。PolarDB凭借其强大的技术创新能力和完善的产品布局,成功重返排行榜 ...
凳舒
1 小时前
457
0
2
Multi-Modal Attention Network Learning for Semantic Source Code Retrieva
Multi-Modal Attention Network Learning for Semantic Source Code Retrieva Multi-Modal Attention Network Learning for Semantic Source Code Retrieval,题目意思是用于语义源代码检索的多模态注意网络学习,2019年发表于ASE ...
洪势
1 小时前
241
0
1
数据库中查询含有某个emoji表情的行数据
数据库中查询含有某个emoji表情的行数据 MySQL的情况 代码如下 [code]create table tt6(id int, name varchar(800));insert into tt6 select 1, '121 来源:程序园用户自行投稿发布,如果侵权,请联系站长删除 免责声明:如果侵犯 ...
欤夤
1 小时前
195
0
3
RANSAC---从直线拟合到特征匹配去噪
Ransac全称为Random Sample Consensus,随机一致性采样。该方法是一种十分高效的数据拟合方法。我们通过最简单的拟合直线任务来了解这种方法思路,继而扩展到特征点匹配中的误点剔除问题。 (注意,RANSAC不是直接用于特征点匹配,而是一 ...
馑妣窟
2 小时前
855
0
2
markdown语法入门二:代码,转义,上下标与脚注
编辑器:obsidian 1.代码 代码分为行内代码(单行代码)与代码块,二者在不同编辑器,网站上的显示格式不同,但大同小异。 1.1 行内代码 行类代码并不会自动换行,通常只用于单行代码的展示,或者如之前博客内容里的语法公式一般起转义 ...
砂歹汤
2 小时前
428
0
6
C++ 20 协程 之 Hello World
C++ 20 协程 C++协程可以提高资源利用率,利用状态机解决回调地狱的问题。与Kotlin协程具有相似之处,但是使用难度较为繁琐。 Hello World 非挂起 C++协程最为简单的Hello World案例如下: [code]#include #include struct HelloCorouti ...
梁宁
2 小时前
756
0
3
张想东:深圳昂楷科技西北数据安全“守护先锋”
在数字化浪潮汹涌澎湃的当下,数据如同数字时代的石油,蕴含着巨大的能量和价值,驱动着各行各业的创新与发展。在深圳昂楷科技有限公司,有这样一位数据安全工程师——张想东,他凭借着 5 年的深耕细作,在数据安全领域崭露头角,目前不 ...
迫蔺
2 小时前
406
0
3
本地新建js公用库组件并打包发布到npm仓库详细说明
有时候,我们想在本地开发一个公用js函数组件库,并上传到npm仓库供开发者使用,本文就详细介绍了从新建本地项目到发布至npm仓库的整过过程,供大家学习! 1、注册账号 首先我们去npm官网注册一个账号,注册成功后请牢记账号和密码。 需 ...
喳谍
2 小时前
327
0
1
软考高级“系统架构设计师”学习笔记
本文更新于2025-09-06。 目录 [*]绪论 [*]计算机与网络基础知识 [*]信息系统基础知识 [*]系统开发基础知识 [*]软件架构设计 [*]UML建模和架构文档化 [*]设计模式 [*]XML技术 [*]面向构件的软件设计 [*]构件平台与典型架构 [*]信息安全 ...
呶募妙
2 小时前
493
0
7
Redis复习-网络模型
用户空间和内核空间 任何Linux发行版,其系统内核都是Linux。我们的应用都需要通过Linux内核与硬件交互。 为了避免用户应用导致冲突甚至内核崩溃,用户应用与内核是分离的: 1.进程的寻址空间会划分为两部分:内核空间、用户空间 2.用户 ...
荏牌
2 小时前
776
0
2
下一页 »
1 ...
4
5
6
7
8
9
10
11
12
13
... 377
/ 377 页
下一页
返 回
快速发帖
还可输入
80
个字符
高级模式
B
Color
Image
Link
Quote
Code
Smilies
您需要登录后才可以发帖
登录
|
立即注册
本版积分规则
发表帖子
转播给听众
发帖
安全
收藏
7525
本版主题
0
收藏人数
板块介绍填写区域,请于后台编辑
财富榜{圆}
anyue1937
9994893
kk14977
6845356
3934307807
991122
4
xiangqian
638210
5
宋子
9984
6
闰咄阅
9991
7
刎唇
9993
8
俞瑛瑶
9998
9
蓬森莉
9951
10
匝抽
9986
查看更多
社区公告