登录
/
注册
首页
论坛
其它
首页
科技
业界
安全
程序
广播
Follow
关于
导读
排行榜
发帖说明
登录
/
注册
账号
自动登录
找回密码
密码
登录
立即注册
搜索
搜索
关闭
CSDN热搜
程序园
精品问答
技术交流
资源下载
本版
帖子
用户
软件
问答
教程
代码
写记录
写博客
小组
VIP申请
VIP网盘
网盘
联系我们
发帖说明
道具
勋章
任务
淘帖
动态
分享
留言板
导读
设置
我的收藏
退出
腾讯QQ
微信登录
社区
›
业界区
›
安全
安全
今日:
47
|
主题:
7545
收藏本版
(
0
)
推荐主题
读商战数据挖掘:你需要了解的数据科学与分析思维03数据挖掘流程
剑指offer-27、字符串的排列
安全访问,打造纯净安全的鸿蒙版小红书图库访问体验
Keepalived 的高可用配置与使用
Docker Swarm 集群搭建
ansible开局配置-openEuler
【Linux】grub命令行引导进入windows系统
一天一款实用的AI工具,第4期,AI翻译成英语
时序数据库 Apache IoTDB 毕业五周年,“对暗号”获取你的蛇年 T 恤!
k8s 新版创建完 serviceaccount 后-- 不再生成 对应的--token
网站域名监控python脚本
新窗
综合排序
最新主题
热门推荐
精选内容
网易Airtest全新推出:小型便携式集群解决方案!
此文章来源于项目官方公众号:“AirtestProject” 版权声明:允许转载,但转载必须保留原链接;请勿用作商业或者非法用途 1. 新旧版小型便携式集群大PK 先前我们针对中小型企业、工作室等,有推出过一款便携式机柜解决方案,业务同学只 ...
陈兰芳
昨天 15:35
1017
0
2
利用版本回退实现误操作数据恢复
利用版本回退实现误操作数据恢复 简概 步骤 1: 准备 MySQL 环境 首先,确保你已安装 MySQL 数据库,并有权限创建数据库和表。可以通过命令行或图形界面的方式创建。 步骤 2: 创建数据表 在这个步骤中,我们将创建一个名为 employees ...
孙淼淼
昨天 15:35
296
0
3
Codeforces Round 1020 (Div. 3) CF 2106 A~G2 题解
人生第一次打过jiangly 点我看题 A. Dr. TC 原串中每一个\(1\)最终的出现次数是\(n-1\),而每个\(0\)最终的出现次数是\(1\)。因此直接统计即可。 时间复杂度\(O(n)\)。 点击查看代码[code]#include #define rep(i,n) for(int i=0;in>>s ...
桂册
昨天 15:35
465
0
4
使用i2s遇到的问题
在使用i2s的时候原本以为用dma把数据搬运过去就万事大吉,但是搬运过去后喇叭播放听起来十分的难听。 i2s主要由 SCK(串行时钟):也叫位时钟(BCLK),每个时钟脉冲对应数据线的一位数据。 WS(字选择):也叫左右声道时钟(LRCK),用 ...
肇默步
昨天 15:35
357
0
0
【拥抱鸿蒙】基于 Cocos Creator 的 HarmonyOS 自动构建
概述 随着 Cocos Creator 新版本的发布,开发者们迎来了一个令人振奋的消息:Cocos Creator 现已支持发布到 HarmonyOS 平台。这为游戏开发者和应用开发者开辟了新的天地,使他们能够利用 HarmonyOS 的强大功能和生态优势,将作品推向更 ...
彭水晶
昨天 15:33
880
0
5
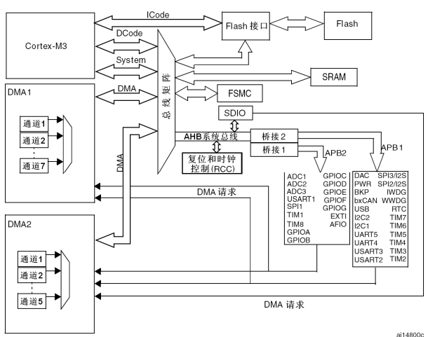
DMA控制器
DMAirect Memory Access,直接存储器访问。作用是在不经过CPU核心的情况下,把数据直接在外设 内存 或 内存 内存 之间搬运。可以减轻CPU的负担(CPU不用亲自搬数据),提高效率,尤其是大块数据传输(比如ADC连续采样、UART收发大数 ...
肇默步
昨天 15:33
990
0
3
将LVGL移植到CH585M单片机
1.下载LVGL源码 在官网(https://lvgl.io/)或者github获取LVGL源码,并整理, 本工程使用LVGL V8.3.11,打开文件并粗略整理后如下: 2.将LVGL文件夹整理成使用便捷的样子 将下载好的文件整理,多余的文件删除,并将lv_conf_template.h ...
猷浮
昨天 15:33
860
0
3
K3D|高效创建轻量级 k8s 集群 (run in dokcer)
什么是 K3S 官网:https://k3s.io/ 指南:https://rancher.com/docs/k3s/latest/en/ 中文版指南:https://docs.rancher.cn/docs/k3s/_index/ K3s 是一个轻量级的 Kubernetes 发行版,它针对边缘计算、物联网等场景进行了高度优化,易于 ...
连热
昨天 15:33
238
0
3
项目可以怎么规范Git commit ?
通常情况下,commit message应该清晰明了,说明本次提交的目的,具体做了什么操作。但是在日常开发中,大家的commit message都比较随意,中英文混合使用的情况有时候很常见,这就导致后续代码维护成本比较大。 基于这些问题,可以通过hus ...
寨重
昨天 15:33
516
0
5
今日主题:数据库设计过程-概念结构设计阶段]
一、今日学了啥? [*]数据模型三要素 [*]数据结构:二维表/实体关系的骨架(如学生表包含学号、姓名) [*]数据操作:增删改查的CRUD操作(如INSERT/DELETE语句) [*]数据约束:完整性规则(如性别字段限制为"男/女") [*]E-R图三要素 ...
注思
昨天 15:31
705
0
3
ChatBI解析:功能、优势与投资回报分析
市场调研与信息收集 ChatBI技术发展现状: ChatBI(对话式商业智能)是近年来兴起的数据分析新形态,它将自然语言处理(NLP)与商业智能工具相结合,使用户能够通过对话方式获取数据洞察。随着生成式AI和大语言模型(LLM)的发展,Chat ...
毁抨句
昨天 15:31
940
0
2
去中心化 AI:赋权还是混乱?
DeepSeek 如何在 AI 去中心化方面迈出了巨大的一步,以及为什么这比你想象的更重要 2025 年 1 月 27 日星期一,DeepSeek —— 一家几乎凭空冒出来的中国初创公司 —— 发布了他们的新 AI 模型,DeepSeek V3。与其他 AI 模型不同,DeepSe ...
裴竹悦
昨天 15:31
204
0
3
Linux系统中的进程和端口查看命令
本章将和大家分享Linux系统中的进程和端口查看命令。 一、ps命令 Linux中的ps命令是Process Status的缩写。ps命令用来列出系统中当前运行的那些进程。ps命令列出的是当前那些进程的快照,就是执行ps命令的那个时刻的那些进程,如果想要 ...
倡粤
昨天 15:31
79
0
2
基于SwipePlayer的短视频流畅滑动播放解决方案
课程介绍 本课程基于SwipePlayer的短视频流畅滑动播放解决方案这一关键技术,主要介绍如何使用SwipePlayer快速实现流畅起播的短视频滑动业务场景,课程旨在帮助开发者提升短视频滑动播放业务的开发效率。 观看课程 点击链接,立 ...
滕佩杉
昨天 15:31
271
0
6
OpenSSH漏洞修复
前期准备 先使用远程连接工具,连接两次服务器,其中一个连接保持一直连接不断开,另一台进行漏洞修复升级(防止修复失败,导致远程连接无法连接时,可以通过另一个远程连接进行恢复) 准备离线升级安装包 OpenSSH下载地址:https://cdn ...
昆拗干
昨天 15:31
698
0
5
Apache基于IP和端口
Apache基于IP 步骤1:添加并配置虚拟网卡 [*]添加虚拟网卡:通常在虚拟机环境中,可以通过虚拟机软件(如VMware或VirtualBox)的网络设置来添加额外的网络适配器。 [*]配置IP地址:编辑/etc/sysconfig/network-scripts/ifcfg-ethX文件 ...
恙髡
昨天 15:31
370
0
3
asp net core下 JWT 部分 密钥生成错误(IDX10720)和 Claim 类型映射问题
概述 探讨 JWT 签发与验证中的常见问题:密钥生成错误(IDX10720)和 Claim 类型映射问题,提供解决方案与代码示例,助你轻松避坑。 踩坑详情 坑一: IDX10720 错误 - 无法为算法 'HS256' 创建 KeyedHashAlgorithm 问题描述 在项目中 ...
趣侮
昨天 15:29
196
0
5
网易伏羲亮相YEF2025大会:聚焦AI创新,CCF-网易雷火联合基金二期申报延长
2025 年 5 月 22 日,由中国计算机学会(CCF)主办、CCF 会士金海教授担任主席的 2025CCF 青年精英大会(简称 YEF2025)大会在珠海 &横琴隆重召开。本届大会以“智辟新径”为主题,汇聚了国内外顶尖青年学者、行业专家及企业领袖,通过 7 ...
铵滔
昨天 15:27
527
0
6
ORA-01720 错误及解决方法
ORA-01720 错误表示在 Oracle 数据库中尝试授权时,缺少必要的 grant option 权限。这通常发生在用户试图将权限传递给其他用户时,但自身并未被授予传递权限。 示例,假设以下场景: [*]用户 A 创建了视图 V_A,其中视图中用了C用户T ...
呵烘稿
昨天 15:25
844
0
3
vite7-vue3-os网页os管理|vue3+vite7+arco.design网页pc版webos系统
最新研发Vite7+Vue3+Pinia3+Arco仿macos/windows网页版webos管理系统。 vite7-webos原创基于vite7.1+vue3.5+pinia3+arco-design+echarts从0-1搭建pc网页版os式管理系统模板。支持macos+windows两种桌面布局风格、自定义桌面栅格模板、可 ...
郦湘云
昨天 15:25
929
0
4
下一页 »
1 ...
17
18
19
20
21
22
23
24
25
... 378
/ 378 页
下一页
返 回
快速发帖
还可输入
80
个字符
高级模式
B
Color
Image
Link
Quote
Code
Smilies
您需要登录后才可以发帖
登录
|
立即注册
本版积分规则
发表帖子
转播给听众
发帖
安全
收藏
7545
本版主题
0
收藏人数
板块介绍填写区域,请于后台编辑
财富榜{圆}
anyue1937
9994893
kk14977
6845356
3934307807
991123
4
xiangqian
638210
5
宋子
9984
6
韶又彤
9999
7
闰咄阅
9993
8
刎唇
9993
9
俞瑛瑶
9998
10
蓬森莉
9951
查看更多
社区公告
浏览过的版块
程序